
Current Position:home
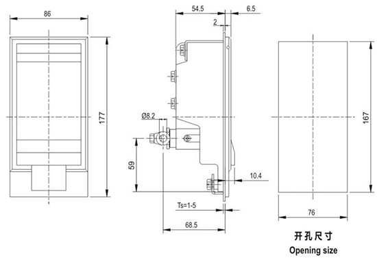
MS888-S

Material:304stainless steel
Finish: orginal
Structure: Swing 90° the handle to colse
prve:
"MS840-S"
next:
No Products
Related Products:











