
Current Position:home
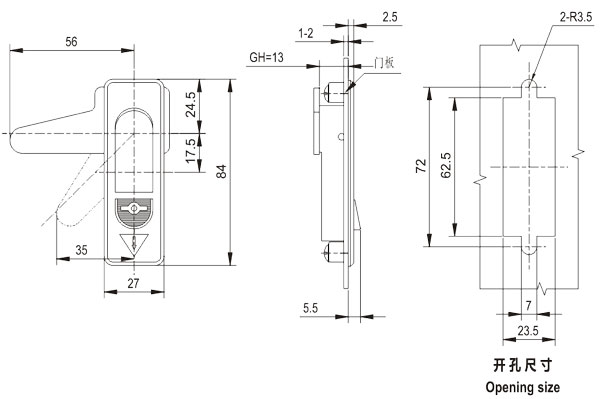
MS732
Material: | zinc alloy housing 、handle and button,steel cam and nut. |
Finish: | bright chrome plated .zinc plated parts |
Structure: |
push the button and swing 90°the handle to open or lock。 |
Related Products: