
Current Position:home
MS602
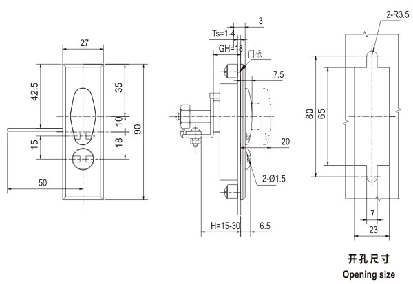
Material: | zinc alloy housing 、handle and button,steel cam and nut. |
Finish: | bright chrome plated .zinc plated parts |
Structure: |
turn the cylinder,pull up the handle and 90 degree swing the handle to open or lock。 |
Related Products: