
Current Position:home
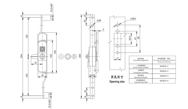
MS820
Material | zinc alloy housing 、dust cover and cylinder, steel driver bar and cam |
Finish | black coated or bright chrome plated .zinc plated parts |
Structure | swing 90°the handle to open or lock |
Related Products: