
Current Position:home
MS306-1-1
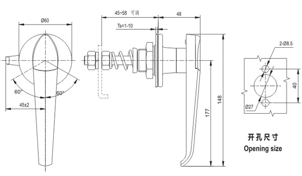
Material | zinc alloy housing 、handle and cylinder,steel cam and nut. |
Finish | bright chrome plated .zinc plated parts |
Structure | swing 90°the handle to open or lock |
prve:
"MS307"
next:
"MS101-1/01-2"
Related Products: