
Current Position:home
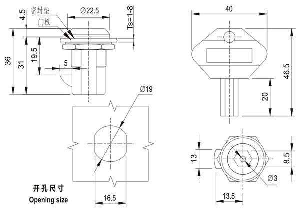
MS826-2
Material: | zinc alloy housing 、cylinder and cam and steel nut. |
Finish: | bright chrome plated.zinc plated parts.
|
Structure: | Automatic Springback locking.
|

Related Products: